咨詢電話
13924666952
400-158-1606
HC-S3/HC-S5為標準系列注塑機械手控制系統,機械手控制系統都配備了主控制板與I/O板。
HC-S5機械手控制系統的主控制板的端口定義:

HC-S5 I/O板端口定義:

備注:輸入、輸出信號均為NPN型,OV信號有效。極限為常閉點,其他為常開。
HC-S3主控制板的端口定義:

HC-S3 I/O板端口定義:

備注:備用輸入、備用輸出的詳細用法請詳詢技術支持,M1、M2為電動調位使用。
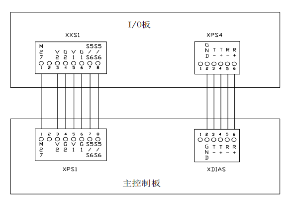
HC-S3/HC-S5主控制板與I/O板的接線圖如下:

控制面板與主控制板的接線端子線序圖:

版權所有 ? 深圳市華成工業控制股份有限公司 未經許可不得復制、轉載或摘編,違者必究 版權聲明
Copyright ? Shenzhen Huacheng Industrial Control Co., Ltd. All Rights Reserved.
網站ICP備案號: 粵ICP備19106162號
技術支持:新新網絡